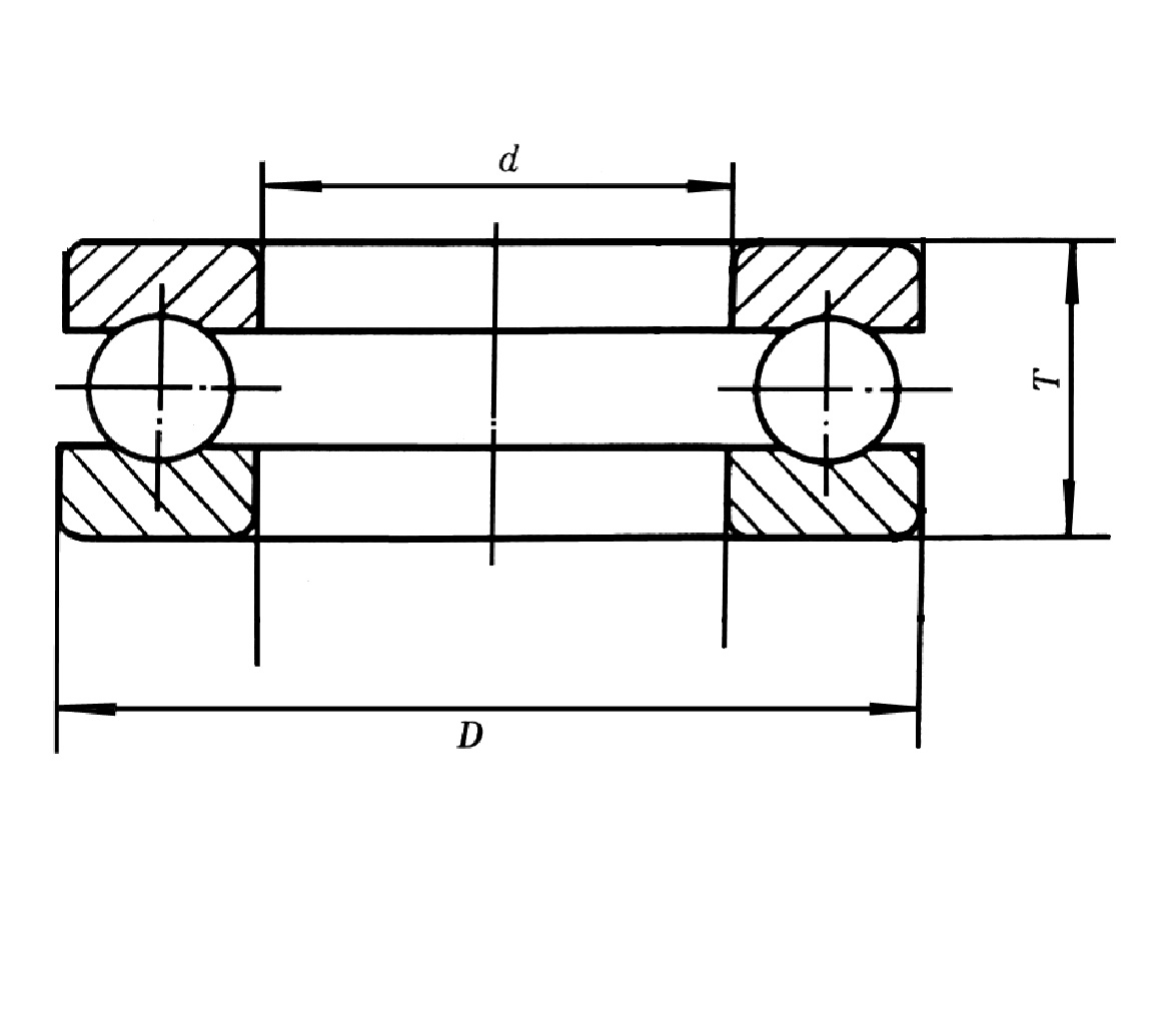
推力球轴承 53413U(UBC)(官方参数:内径65mm-外径140mm)
轴承品牌作者:admin日期:1小时前点击:1
推力球轴承 53413U(UBC)(官方参数:内径65mm-外径140mm)
| 轴承型号 | 详情 |
|---|---|
| 现行代号 | 53413U |
| 曾用代号 | 18413 |
| 代号来源 | 无 |
| 轴承类型 | 推力球轴承 |
| 结构类型 | 53000U带球面座圈的外调心推力球轴承 |
| 尺寸系列 | 无 |
| 内径(mm) | 65 |
| 外径(mm) | 140 |
| 宽度(mm) | 56 |
| 倒角尺寸rmix(mm) | 2 |
| 倒角尺寸rmax(mm) | 无 |
| 重量(kg) | 4.95 |
| 静载荷(N) | 495000 |
| 动载荷(N) | 231000 |
| 脂极限(r/min) | 1100 |
| 油极限(r/min) | 1600 |
| 商标 | UBC |
| 供应商 | 优必胜(上海)精密轴承制造有限公司 |
| 用途 | 无 |
| 行业参考价格(元) | 无 |
| 图片地址 | ![]() |
| 图纸 | ![]() |

